福州蘑菇装袋机应用
其他
浏览量:320次
蘑菇土装袋机项目
变频器系列:YD280T4-11G/15PB
应用设备:装袋机
调试日期:2025.12.09
调试地点:福建福州
调试人员:范辰浩,胡建
机器的主要功能是将混合、发酵好的蘑菇培养料(蘑菇土)自动、定量地装入塑料袋中,为后续的灭菌、接种环节做准备。它是一个集输送、计量、装填、压实于一体的自动化设备。
定量装填是机器的核心功能。图片中部的横向圆柱形部件就是装填机构。其内部有一个螺旋输送器(绞龙),通过变频器(YD280T4-11G/15PB)对电机的精确控制,螺旋输送器旋转,将物料从料仓底部推送至出料口,通过控制螺旋输送器的旋转圈数或时间,可以精确控制每袋的装填量,确保每袋重量一致。
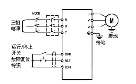
2、电气接线图
变频器和电机之间存在一定距离,因此变频器和电机都要做好接地的准备。
3、变频器规格
异步电机额定电流为14.2A,电机转速1500转,额定功率7.5KW,根据电机的型号及使用工况(需急加速和急减速),我司选择了额定电流为25A的YD280T4-11G/15PB。
4、调试步骤
| P0-02 | 1:端子控制 |
| P0-03 | 6:频率来源-多段速 |
| P0-09 | 0或1,按实际修改 |
| P0-17 | 加速时间(0.30s) |
| P0-18 | 减速时间(0.10s) |
| P0-19 | 2:加减速时间单位为0.01s |
| P4-00 | 1:DI1端子正转 |
| P4-01 | 2:DI2端子反转 |
| P4-02 | 12:DI4端子为多段速端子 |
5、现场运行情况
运行稳定(先正转运行50hz,再反转运行30hz),急加速和急减速时电机响应快。
通道1为:变频器输出电流
通道2为: 变频器AO(输出频率)
通道3为:DI1信号
通道4为:DI2信号


