石英石真空振动成型压机应用
矿产资源
浏览量:264次
石英石振动成型压机项目
调试时间:2025.12.11
调试地点:山东临沂
调试人员:范辰浩
变频器:优利康YD3185 T4 N
1.装袋机设备工作原理
石英石真空振动压机最核心的三个原理是真空除气、振动压实和加热固化。
真空除气:在密闭腔体内抽真空至-0.095MPa至-0.1MPa,排除混合料中的空气,避免成品出现气孔。
振动压实:通过高频振动(通常为28-51Hz)使石英砂、树脂等材料均匀分布,同时施加10-15MPa的垂直压力,大幅提升板材密度。
加热固化:在80-120℃环境下促进树脂交联反应,形成稳定结构。
变频器主要控制振动压实部分。
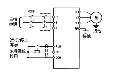
2、电气接线图
变频器和电机之间存在一定距离,因此变频器和电机都要做好接地的准备。
3、变频器规格
异步电机为110kw,额定电流212A,由于振动电机启动惯量大,因此选用YD3185 Y4 N型号。
4、调试步骤
| E1-01(输入电压设定) | 400vac |
| E1-04(最高输出频率) | 55hz |
| E1-05(最大输出电压) | 380vac |
| E1-06(基频) | 50hz |
| E1-07(中间输出频率) | 3hz |
| E1-08(中间输出电压) | 24vac |
| E1-09(最低输出频率) | 1.5hz |
| E1-10(最低输出电压) | 12vac |
5、现场运行情况
变频器按多段速的方式运行,运行平稳。


