1、设备工作原理
黄原胶工艺生产流程
本次设备改造对象是黄原胶生产工艺中一次提取过程中的搅拌罐,负责将黄原胶发酵液进行搅拌,搅拌速度越快,黄原胶产量越高,之前是用异步变频器控制1500转异步电机通过齿轮箱减速到150rpm驱动搅拌罐叶轮,本次改造替换成同步变频器控制160rpm永磁同步电机直驱搅拌罐叶轮。
搅拌罐
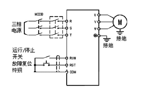
2、电气接线图
变频器和电机之间存在一定距离,因此变频器和电机都要做好接地的准备。
3、变频器规格
根据电机参数,我司选择了型号为YDS8500 T4-E002的变频器。
4、调试步骤
在电机轴上没有负载的情况下,按照电机参数进行自学习。Dr30:2倍相电阻,Dr31,Dr64:2倍相电感。
变频器以39.3HZ(157rpm)运行时的电流电压波形
在调试过程中,发现电机无法在重载情况下达到额定转速,打开变频器弱磁功能,依然收效甚微,经过测量发现是电机反电动势与厂家提供的不符合,实测高达406V(正常电机反电动势是电机额定电压的90%左右),在变频器输入电压395V不变的情况下,重载时变频器母线电压会从正常的550V掉到510V左右,也就是说接近电机额定转速时,变频器输出电压小于电机反电动势时,电机就会失控。
因此我司建议,遇到此类情况,有两种解决措施:
①、在变频器前端加装变压器提升变频器输入电压;
②、使用四象限变频器稳住母线电压。
电机反电动势波形
5、现场运行情况
由于电机反电动势原因,正常生产时,电机最大运行转速设定为155rpm,这个转速比之前的150rpm高,生产效率更高,目前设备已稳定运行半个月。
搅拌罐工作周期是72h,在每个工作周期内,第一个24h运行转速为80rpm,第二个24h运行转速为100rpm,第三个24h运行转速为155rpm。
永磁同步电动机可以在25%~120% 额定功率的范围内保持高功率因数和高效率状态运行,而一般三相异步电动机通常只能在60%~100% 额定功率保持,变频器在满载时的消耗不会超过3%。
现场同样的搅拌罐一共有30个,为了观察节能效果,因此在改造的变频器和目前还在用的变频器前端都加装了智能电表,在一个生产周期后对比后发现节能2400度电(一天省电800度电),按照这个数值换算,如果将厂内的搅拌罐全部替换成永磁同步电机直驱,工业用电按5毛/度计算,一年节省的电量就是800*30*365*0.5=4380000元,节能效果相当可观。


